USB3.2超高速GEN1数据扰频
2021-06-06
本文链接为:http://www.usbzh.com/article/detail-424.html ,欢迎转载,转载请附上本文链接。
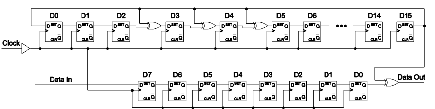
扰码功能是使用一个自由运行的线性反馈移位寄存器(LFSR)实现的。
来实现的。
LFSR:Linear Feedback Shift Register
- 在发送端,对8b/10b之前的字符进行加扰编码。
- 在接收端,对8b/10b解码后的字符进行解扰。
- 每当发送或接收到COM符号(COM symbol)时,LFSR就会复位。
- 通过将8位(D0-D7)字符与LFSR的16位(D0-D15)输出串行异或来执行加扰或解扰。
- LFSR的输出D15与要处理的数据的D0进行异或运算。然后,LFSR和数据寄存器串行前进,并对D1到D7重复输出处理。在数据被异或后,LFSR被提前。
加解扰频规则
- 加解扰频算法 公式

- 除SKP外,LFSR值应为每个符号提前8个连续移位
- 所有8b/10b的D码(训练序列有序集s内的码除外)都应加扰
- K码不加扰频
- LFSR(D0-D15)的初始化值应为FFFFh。COM离开发射机LFSR后,应初始化发射侧的LFSR。每次COM进入接收LFSR时,接收端的LFSR应初始化。
加解扰频原理见下图:
HID人机交互QQ群:564808376
UAC音频QQ群:218581009
UVC相机QQ群:331552032
BOT&UASP大容量存储QQ群:258159197
STC-USB单片机QQ群:315457461
USB技术交流QQ群2:580684376
USB技术交流QQ群:952873936 USB技术交流3:1031974172
USB3.2超高速协议规范





